熱釋電紅外傳感器
輸出方式:高低電平輸出
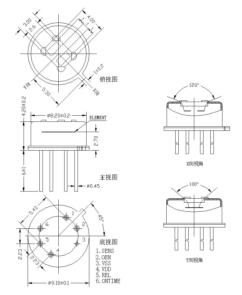
窗口尺寸:3*4mm
感應距離:10M(透鏡SB-F-02)不同距離詳見透鏡選型
感應角度:120°(水平方向)
工作電壓:2.2-3.7V
靜態功耗:<12uA
NS612是將數字智能控制電路與人體探測敏感元都集成在電磁屏蔽罩內的熱釋電紅外傳感器。人體探測敏感元將感應到的人體移動信號通過甚高阻抗差分輸入電路耦合到數字智能集成電路芯片上,數字智能集成電路將信號轉化成ADC數字信號,當PIR信號超過選定的數字閥值時就會有定時的REL電平輸出。OEN使能端可使REL輸出或通過光照傳感器自動控制。靈敏度和時間參數通過分壓電阻設置。所有的信號處理都在芯片上完成。
數字信號處理
低電壓、低功耗,熱機時間短
電源抑制比高,抗射頻干擾
特別內置紅外傳感器的二階巴特沃斯帶通濾波器,屏蔽其它頻率的輸入干擾
具有靈敏度、定時時間,光照傳感器施密特REL輸出
定時時間模擬連續可調
穩定性好、有效抑制重復誤動作
應用電路簡單
1.極限值(超過下面表格中數值造成器件的永久性損壞)
| 參量 | 符號 | 最小值 | 最大值 | 單位 |
| 工作溫度 | TST | -30 | 70 | ℃ |
| 任何引腳極限 | Into | -100 | 100 | MA |
| 存儲溫度 | TST | -40 | 80 | ℃ |
2.工作條件 (T=25°C, Vdd=3V,除另有規定外)
| 參量 | 符號 | 最小值 | 典型值 | 最大值 | 單位 | 備注 |
| 工作電壓 | VDD | 2.7 | 3 | 3.3 | V | |
| 工作電流 | IDD | 9 | 12 | 15 | μA | |
| 靈敏度閥值 | VSENS | 100 | 1900 | μV | ||
| 探測波長 | λ | 5 | 14 | um | ||
| 輸出REL | ||||||
| 輸出低電流 | IOL | 10 | MA | VOL<1V | ||
| 輸出高電流 | IOH | -10 | MA | VOH>(VDD-1V) | ||
| REL的低電平輸出鎖定時間 | TOL | 2 | S | 不可調 | ||
| REL的高電平輸出延時時間 | TOH | 2 | 3600 | S | ||
| 輸入SENS/ONTIME | ||||||
| 電壓輸入范圍 | 0 | VDD1/2 | V | 調節范圍在0V和VDD1/2間 | ||
| 輸入偏置電流 | -1 | 1 | μA | |||
| 使能OEN | ||||||
| 輸入低電壓(關閉) | VIL | 在0.4V~1.2V之間為遲滯區域 | 0.4 | V | OEN電壓高到低的閾值電平 | |
| 輸入高電壓(開啟) | VIH | 1.2 | V | OEN電壓低到高的閾值電平 | ||
| 輸入電流 | II | -1 | 1 | μA | VSS<VIN<VDD | |
| 振蕩器和濾波器 | ||||||
| 低通濾波器截止頻率 | 7 | Hz | ||||
| 高通濾波器截止頻率 | 0.44 | Hz | ||||
| 芯片上的振蕩器頻率 | FCLK | 64 | KHz | |||
產品尺寸圖

注意事項
傳感器的出廠參數,均在標準黑體及穩定測試環境下經過數分鐘穩定時間后測試取得。
傳感器需結合菲涅爾透鏡使用達到理想的感應角度及感應距離。
傳感器的感應距離與環境溫濕度、采集目標的溫度和移動方向、菲涅爾透鏡、放大倍數設置均有直接關系,使用時請綜合考慮。
傳感器內部敏感元件較為薄脆,使用時請輕拿輕放,高頻震動或跌落撞擊可能導致敏感元件發生斷裂。
傳感器窗口為硅基半導體特殊材料真空鍍膜濾光鏡片,使用時請勿用手或硬物直接接觸。
傳感器窗口選型:模擬直插雙元產品:S:3*4mm,B:3.8*5mm,數字直插雙元產品:S:3*4mm,L:3.8*5mm,M:4.2*5.2mm,直插四元產品:X:4*4mm,Q:4.9*4.9mm。詳情請與業務員溝通。
傳感器引線長度選型:常規默認13.5mm,如有其他需求可詳詢業務員,支持定制引線長度。
傳感器其他詳細信息請詳見產品說明書。